爱游戏体育官网下载
全国客服热线:

13911979518

上海津驰

上海津驰

时间: 2025-11-25 15:54:03 |   作者: 爱游戏体育官网下载

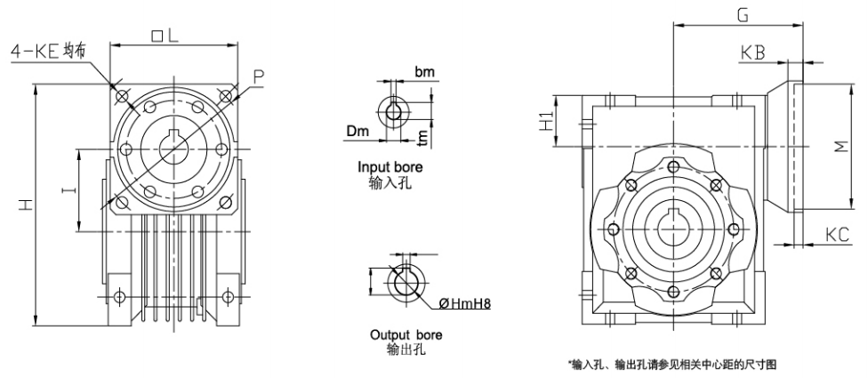
  伺服蜗轮减速机,是朝岡在原有NMRV系列的基础上开发而成的新一代伺服减速机产品,机体能适配不一样的功率段的伺服马达,最大可达7.5KW。

  90直角装置,节省空间。空回空隙到达15分以内,最高可达6分。

  可匹配不一样的品牌的伺服电机:松下、三菱、安川、台达、发那科、西门子、伦茨、富士、东元、四通、卧龙、步科等一系列品牌。

  4、输出方法:VS(同向输入轴),SS(单向输出轴),DS(双向输出轴),FA,FB,FC,FD输出法兰,R扭力臂

  带*尺度为可变参数,匹配伺服电机品牌的不同而不同,图中尺度参阅三菱伺服马达。

  2、减速机与原动机、设备安装之前,应查看各轴径、孔径、键和键槽的误差尺度,防止安装过紧、过松影响减速机功能。

  5、假如减速机寄存时刻长达4-6个月,应查看油封是否滋润在润滑油中,或许油封唇口会粘在轴上,乃至失去了弹性,因为恰当的弹性是油封有必要的工作条件,所以引荐替换油封。

  7、与减速机的空心轴合作衔接时,应在轴上合作部分涂上润滑油,避免卡死或许氧化。

  12、减速机的规范工作环境和温度是-5℃至40℃,假如不在这规模时,请与咱们技能服务人员联络()。

  朝岡可依照每个客户的特别的条件,定制您所需求的专属产品解决方案!欢迎来电咨询!